产品名称:TTL模块
规格型号:UT-455
传输协议:TCP/IP转TTL
商品数量:2路
安装方式:插拔排针
产品概述:
产品支持串行终端到 TCP/IP之间数据转换,内部集成 TCP/IP 协议栈,实现 3. 3V TTL 串口与 TCP/IP网络接口的数据双向透明传输,使得串口设备能够具备联网功能。内部集成 ARP,IP,TCP, HTTP,ICMP,UDP 等协议。所有程序提供中英文界面,有设置向导,易于操作。产品尺寸小巧,方便集成于各类产品中。广泛用于工业控制,设备自动化,物联网,环境监控,智能交通,动环监控等领域。
产品特性:
●采用模块化设计,适合于工控现场的应用。
●支持较宽波特率范围300-921600bps,适用不同类型的工业设备
●支持多种操作模式:VCOM、MCP、TCP SERVER、TCP CLIENT、UDP、Modbus TCP SERVER、Modbus TCP CLIENT
●支持web升级固件,方便不同场合特殊应用
●支持Reset I/O恢复出厂设置
●支持心跳包、注册包功能
产品参数:
| 处理器 | 32bit LX6 240MHZ 微处理器 |
| 内存 | 520K |
| 以太网接口 | 10/100M(内嵌 1.5KV 电磁隔离)自适应 MDI/MDI-X 以太网接口 |
| 串口 | 2 路 TTL (3. 3V) |
| 供电 | DC3V/5V |
| 最大功耗 | 5V@20mA |
| 安装方式 | 插拔排针 |
| 工作温度 | -40~85°C |
| 运行环境 | 储存温度:-40~85°C |
| 相对湿度 | 5%~95%(无凝结) |
| 海拔 | 0~4000m |
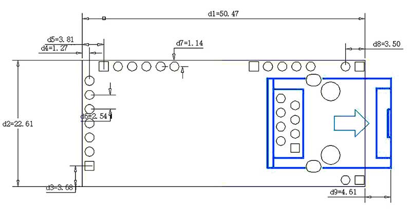
| 尺寸 | LxWXH 50.47x22.16mmx8. 4mm |
| 净重 | 12g |
| 协议支持 | ARP、IP、ICMP、UDP、TCP、HTTP、DHCP、MODBUS 协议 |
| 配置方式 | Web browser, VCOM Utility(虛拟COM 仅Windows) |
| 操作模式 | VCOM, MCP, TCP SERVER, TCP CLIENT, UDP,MOdbuS TCP SERVER ,ModbuS TCP CLIENT |
| 波特率 | 300-921600bps |
| 数据位 | 5、6、7、8 |
| 停止位 | 1、2 |
| 校验位 | None、0dd、Even |
| 流量控制 | RTS/CTS、DTR/DSR、XON/XOFF(仅限 RS-232) |
产品尺寸:

400-1144-149